

IC เบอร์ ULN2003 หรือมีอชืื่องหนึ่งเรียกว่า IC buffer มักจะนำไปใช้เป็นไดร์ให้กับ อุปกรณ์ต่างๆ ที่ กระแส Output ไม่เกิน 500mA สามารถนำไปขับมอเตอร์ Relay Steppinng มอเตอร์ ได้ และมีไดร์โอดคร่อมที่ Output ป้อนกันกระแสไหลย้อนกลับ สามารถควบคุมอุปกรณ์ ได้จำนวน 7 ตัว
IC ULN2003 เป็น Integrated Circuit ชนิดหนึ่งที่มีความสามารถในการขับเคลื่อนมอเตอร์หรือโหลดต่างๆ ด้วยกระแสไฟฟ้าสูงได้อย่างมีประสิทธิภาพ โดย IC ULN2003 เป็นชุด IC ที่มีไดรเวอร์อยู่ภายในตัวเพื่อควบคุมกระแสไฟฟ้าให้แก่มอเตอร์หรือโหลดต่างๆ ที่ต้องการใช้งาน ด้วยความสามารถในการเชื่อมต่อกับ MCU ผ่านพอร์ท Input/Output ซึ่งทำให้ง่ายต่อการนำมาใช้งานกับบอร์ด Arduino หรือไมโครคอนโทรลเลอร์อื่นๆ ในการประยุกต์ใช้ IC ULN2003 มักจะนำมาใช้งานในการขับเคลื่อนมอเตอร์กระแสต่ำ แต่รองรับกระแสไฟฟ้าได้สูงถึง 500mA ดังนั้นสามารถนำไปใช้งานกับโหลดต่างๆ ได้ตามความต้องการ อีกทั้งยังเป็น IC ที่มีราคาไม่แพง ทำให้เป็นตัวเลือกที่ดีสำหรับผู้ที่ต้องการควบคุมมอเตอร์หรือโหลดต่างๆ ด้วย Arduino หรือ MCU อื่นๆ
IC เบอร์ ULN2003 คือไอซีประเภท Darlington Transistor Array ที่ได้รับความนิยมในการใช้งานวงจรควบคุมโหลดกระแสสูง เช่น มอเตอร์ รีเลย์ หลอดไฟ และอุปกรณ์ที่ต้องการกระแสไฟมากกว่าไมโครคอนโทรลเลอร์จะจ่ายให้ได้โดยตรง โดยเฉพาะเมื่อต้องใช้งานร่วมกับ Arduino, ESP8266, ESP32 หรือ Raspberry Pi
- ภายในประกอบด้วยทรานซิสเตอร์แบบดาร์ลิงตันจำนวน 7 คู่ - รับสัญญาณควบคุมระดับ TTL หรือ CMOS ได้ - รองรับแรงดันโหลดได้สูงสุดประมาณ 50V - กระแสไหลผ่านได้สูงสุดประมาณ 500mA ต่อช่อง - มีไดโอดภายในสำหรับป้องกันแรงดันย้อนกลับจากโหลด (เช่น มอเตอร์, รีเลย์)
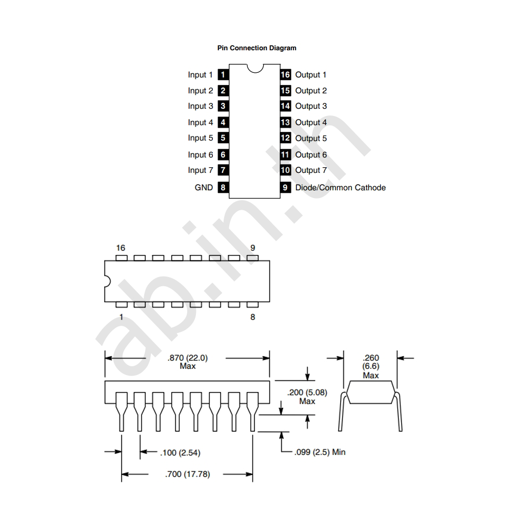
IC ULN2003 มีทั้งหมด 16 ขา แบ่งเป็น
ULN2003 นิยมใช้ในโปรเจค Arduino และ IoT ที่ต้องการควบคุมอุปกรณ์ที่กินกระแสมากกว่าที่บอร์ด Arduino จ่ายได้ เช่น
- ประหยัดพื้นที่วงจร เพราะรวมไดร์เวอร์ไว้ในไอซีตัวเดียว - ป้องกันอุปกรณ์ควบคุมจากแรงดันย้อนกลับ - ลดความซับซ้อนของวงจรโดยไม่ต้องใช้ทรานซิสเตอร์แยก - ใช้งานง่ายกับ Arduino และบอร์ดควบคุมต่าง ๆ
IC ULN2003 เป็นตัวขยายสัญญาณและตัวขับโหลดที่มีประสิทธิภาพสูง ใช้งานง่าย และเหมาะสำหรับงานควบคุมอุปกรณ์ที่กินกระแสสูงในโปรเจกต์อิเล็กทรอนิกส์ ไม่ว่าจะเป็นนักเรียน นักพัฒนาหรือ Maker ก็สามารถนำ ULN2003 ไปใช้สร้างโปรเจกต์ได้หลากหลาย
สินค้า 1 ชุดประกอบด้วย




| หน้าที่เข้าชม | 4,559,795 ครั้ง |
| ผู้ชมทั้งหมด | 2,515,567 ครั้ง |
| ร้านค้าอัพเดท | 11 ธ.ค. 2568 |